Unterstützung und Beratung unter: +49 7034 9929 48 Mo-Fr, 09:00 - 17:00 Uhr
Oder über unser Kontaktformular.
- Schnell und unkompliziert
- Fachkompetente Beratung für Ihren professionellen kältetechnischen Bedarf
- Top Preise für Premium-Qualität
- Deutscher Maschinenbauer mit eigener Fertigung und mehr als 30 Jahren Erfahrung in der Branche
LAE Datenlogger und Steuerung RECCONV2A (incl. 3x Fühler)
1.066,00 €
Aktuell nicht verfügbar.
Produktinformationen "LAE Datenlogger und Steuerung RECCONV2A (incl. 3x Fühler)"
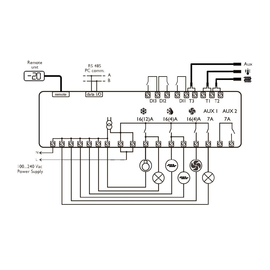
Der RECCONV2A beinhaltet den autarken Datenlogger DL28W als spannungsausfallsicheres Datenaufzeichnungsmodul sowie eine vollwertige Kältesteuerung mit dem Leistungsmodul BR1-28 in Verbindung mit dem neuen LCD Display als Anzeige- und Parametriereinheit.
Durch die hochwertige Verarbeitung des RECCONV2A im V2A Gehäuse eignet er sich ideal zum Einsatz in der Lebensmittelindustrie, Gastronomie
und überall dort, wo es auf ein hohes Maß an Hygiene ankommt.
VORTEILE
· autarkes Überwachungssystem für große Kühlräume
· bis zu 4 Kältesteuerungen über RS485 integrierbar
· spannungsausfallsichere Aufzeichnung (> 20 Tage) dank interner Pufferbatterie
· geeignet für die Datenaufzeichnung nach TK - Verordnung
· separate Abtauung von 2 Verdampfern
· Kühlraumbeleuchtung über BR1-28
· Alarmweiterschaltung bei Spannungsausfall
· Entnahme der Aufzeichnungsdaten per USB oder Bluetooth (nur bei DL28W-D)
· Frontfolie personalisierbar (ab einer Aufl age von 100 Stück)
· Auswertung der Aufzeichnungsdaten mittels Software
· Aufzeichnungsparameter personalisierbar
TECHNISCHE DATEN - Allgemein
| Display | LCD-Display |
| Messbereich Fühler | -40°C ... +105°C |
| Regelbereich Regler | -50°C ... +110°C |
| Auflösung | 0,1° |
| Spannungsversorgung | 100 ... 230 Vac |
| Abmessungen | 300x200x120mm |
| Einbaumaß | Wandaufbau |
| Frontschutzart | IP65 |
| Zertifizierung | CE |
TECHNISCHE DATEN - BR1-28C1S5W-B
| Fühlertyp | NTC10k |
| Fühler Lieferumfang | 3 x NTC10k (SN4B20P1...3) |
| Messbereich Fühler | -40°C ... +105°C |
| Regelbereich Regler | -50°C ... +110°C |
| Auflösung | 0,1° |
| Eingang | DI1 ... DI3 (parametrierbar) |
| Klemmen | Schraubklemmen |
| Relais 1 / Schließer | 16 (12)A Verdichter |
| Relais 2 / Schließer | 16 (4)A Abtauung |
| Relais 3 / Schließer | 16 (4)A Verdampferlüfter |
| Relais 4 / Schließer |
7A AUX 1 |
| Relais 5 / Schließer |
7A AUX 2 |
| Schnittstelle | RS485 |
| Spannungsversorgung | 100 ... 230 Vac |
| Einbaumaß | Wandaufbau |
| Frontschutzart | IP65 |
| Zertifizierung | CE |
TECHNISCHE DATEN - DL28W
| Fühlertyp | NTC10k |
| Fühler Lieferumfang | 1 x NTC10k (SN4B20P1...3) |
| Messbereich Fühler | -40°C ... +105°C |
| Regelbereich Regler | -50°C ... +110°C |
| Auflösung | 0,1° |
| Eingang | DI1 (parametrierbar über DL28SW) |
| Klemmen | Schraubklemmen |
| Relais 1 / Schließer | 7 (2)A (Wechsler) |
| Schnittstelle | RS485, USB |
| Spannungsversorgung | 100 ... 230 Vac |
| Einbaumaß | Wandaufbau |
| Frontschutzart | IP65 |
| Zertifizierung | CE |
| Anzahl Fühlereingänge: | 4 |
|---|---|
| Anzahl digitale Eingänge: | 4 |
| Fühler_Eingänge: | 4 |
| Kaeltemittel: | R404A, R507 |
| Kompressor-Leistungsaufnahme: | < 250 W |
| Kompressor-Stromaufnahme: | 1 - 2 A |
| Leistung: | 250 - 500 W |
| Regler Typ: | Kühlstellenregler |
| Relais: | 6 |
| Versorgungsspannung: | 115 - 230V AC |
| möglicher Fühlertyp: | NTC 10K |
0 von 0 Bewertungen
Durchschnittliche Bewertung von 0 von 5 Sternen
Anmelden