Unterstützung und Beratung unter: +49 7034 9929 48 Mo-Fr, 09:00 - 17:00 Uhr
Oder über unser Kontaktformular.
- Schnell und unkompliziert
- Fachkompetente Beratung für Ihren professionellen kältetechnischen Bedarf
- Top Preise für Premium-Qualität
- Deutscher Maschinenbauer mit eigener Fertigung und mehr als 30 Jahren Erfahrung in der Branche
LAE Split Kühlstellenmodul BR1-28C1S5W-B (incl. 3x Fühler) BR1
133,00 €
Sofort verfügbar, Lieferzeit: 1-4 Werktage
Produktinformationen "LAE Split Kühlstellenmodul BR1-28C1S5W-B (incl. 3x Fühler) BR1"
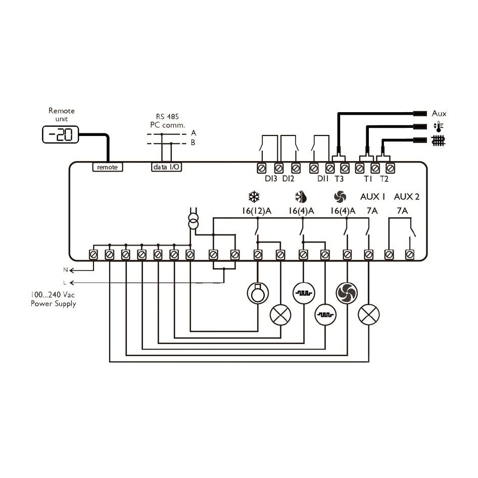
Der BR1-28C1S5W-B Regler zählt mit seiner hohen Bandbreite an Parametern und damit verbundenen Verknüpfungsmöglichkeiten der Regelalgorithmen zum Flaggschiff der LAE - ELECTRONIC Produktpalette.
Das Leistungsmodul BR1-28C1S5W-B beinhaltet zahlreiche Funktionen wie:
· 2 Parametergruppen zur wahlweisen Steuerung von:
· ECO Energiemanagement mit verbessertem Einsparpotential
· Plus- und Tiefkühlung
· Tag- und Nachtbetrieb
· zeitlich gesteuerte Aktionen über START- bzw. STOPPZEIT wie:
· 2. Parametergruppe
· Aktivierung der AUX-Ausgänge (z.B.: Licht, Ventile, Pumpen etc.)
· Aufzeichnung nach TK Verordnung über Fühler T3
· optimierte Abtauung von 2 Verdampfern
· zeitversetzter Anlauf von 2 Verdichtern
· Abtauung über 6 einstellbare Zeiten oder nach Intervall
· Lichtsteuerung über digitalen Eingang möglich
EIGENSCHAFTEN
· Abtausynchronisation zwischen mehreren Steuerungen
· zwei frei parametrierbare AUX Ausgänge
· optimierte Verdampferlüftersteuerung über Temperatur
· universelle Spannungsversorgung 100...240Vac
· optionale Spannungsversorgung 7...30Vdc zum direkten Einsatz in Kühlfahrzeugen
· leichte Programmierung über Handprogrammiergerät ZOT-BR1 (nicht im Lieferumfang)
· Integration in LAE Überwachungssysteme, drahtgebunden sowie wireless (RF Modul)
· verschiedene Display Anschlussmöglichkeiten
· 16A Relais Verdampferlüfter speziell für den Einsatz von EC-Motoren
ANWENDUNGSBEREICHE
· Schaltanlagenbau
· steckerfertige Kühlmöbel
· Kühlraumsteuerungen
· Wandregale
TECHNISCHE DATEN
| Display | DU5S / TU5S oder LCD-Display |
| Fühlertyp | NTC10k |
| Fühler Lieferumfang | 3x NTC10k |
| Messbereich Fühler | -40°C ... +105°C |
| Regelbereich Regler | -50°C ... +110°C |
| Auflösung | 0,1° |
| Eingang | DI1 ... DI3 (parametrierbar) |
| Klemmen | Schraubklemmen |
| Relais 1 / Schließer | 16 (4)A Verdichter |
| Relais 2 / Schließer | 16 (4)A Abtauung |
| Relais 3 / Schließer | 16 (4)A Verdampflüfter |
| Relais 4 / Schließer |
7 A AUX 1 |
| Relais 5 / Wechsler |
7 A AUX 2 |
| Schnittstelle | RS485 |
| Abmessungen | 105x91,3x55mm |
| Spannungsversorgung | 100 ... 240 V |
| Einbaumaß | DIN Schiene |
| Frontschutzart | IP40 |
| Zertifizierung | CE |
| Anzahl Fühlereingänge: | 3 |
|---|---|
| Anzahl digitale Eingänge: | 3 |
| Fühler_Eingänge: | 3 |
| Kaeltemittel: | R404A, R507 |
| Kompressor-Leistungsaufnahme: | 1000 - 1500 W |
| Kompressor-Stromaufnahme: | 6 - 8 A |
| Leistung: | 1500 - 2500 W |
| Regler Typ: | Kühlstellenregler |
| Relais: | 5 |
| Versorgungsspannung: | 115 - 230V AC |
| möglicher Fühlertyp: | NTC 10K |
0 von 0 Bewertungen
Durchschnittliche Bewertung von 0 von 5 Sternen
Anmelden
Accessory Items
Das LAE Display DU5S ist eines der möglichen Bedienteile passend für den BD1-28 oder BR1-28 Splitkühlstellenregler.Eigenständig besitzt die DU5S Anzeige und Parametriereinheit keinerlei Funktion, erst in Verbindung mit einem passenden Regler (BD1-28 oder BR1-28 Splitkühlstellenregler). ANWENDUNGSBEREICHE Getränkekühlschränke Steckerfertige Vitrinen für Läden und Supermärkte Kühl- / Tiefkühlschränke Kühlräume· Kühlräume Kühl- und Tiefkühlmöbel NICHT IM LIEFERUMFANG:1m oder 5m Verbindungskabel zur Verbindung mit einem BD1-28 oder BR1-28 Splitkühlstellenregler. Dieses Verbindungskabel muss als Zubehör bestellt werden: Artikelnummer: 00300-0064 ............ Artikelbezeichnung: FC04-10P01 Verbindungskabel 1m Artikelnummer: 00300-0065 ............ Artikelbezeichnung: FC04-50P01 Verbindungskabel 5m TECHNISCHE DATEN Abmessungen 77x35x20mm Einbaumaß 71x29mm Frontschutzart IP55
Das Verbindungskabel FC04-50P1 mit 5m Länge wird benötigt um eines der Bedienteile DU5S, TU5S-BLU oder DU00-02 mit Folientastatur 0VELAEBR1-A mit den BD1-28 oder BR1-28 Splitkühlstellenreglern zu verbinden.Eigenständig besitzten die DU5-S TU5S-BLU oder DU00 mit Folientastatur Anzeige und Parametriereinheit keinerlei Funktion, erst in Verbindung mit einem passenden Regler (BD1-28 oder BR1-28 Splitkühlstellenregler). ANWENDUNGSBEREICHE Getränkekühlschränke Steckerfertige Vitrinen für Läden und Supermärkte Kühl- / Tiefkühlschränke Kühlräume· Kühlräume Kühl- und Tiefkühlmöbel TECHNISCHE DATEN Abmessungen 5m Stecker konfektionierte Stecker Kabel 4 Adern
Die LAE Folientastatur mit Display DU00-02 ist eines der möglichen Bedienteile passend für den BD1-28 oder BR1-28 Splitkühlstellenregler.Eigenständig besitzt die Folientastatur Anzeige und Parametriereinheit keinerlei Funktion, erst in Verbindung mit einem passenden Regler (BD1-28 oder BR1-28 Splitkühlstellenregler). Folie kann z. B. auf eine Schaltschranktür geklebt werden, es müssen 2 Ausschnitte für Display und Kabel in der Schaltschranktür erstellt werden.Das Display wird auf der Innenseite der Schaltschranktür auf den Ausschnitt geklebt. ANWENDUNGSBEREICHE Getränkekühlschränke Steckerfertige Vitrinen für Läden und Supermärkte Kühl- / Tiefkühlschränke Kühlräume· Kühlräume Kühl- und Tiefkühlmöbel NICHT IM LIEFERUMFANG:1m oder 5m Verbindungskabel zur Verbindung mit einem BD1-28 oder BR1-28 Splitkühlstellenregler. Dieses Verbindungskabel muss als Zubehör bestellt werden: Artikelnummer: 00300-0064 ............ Artikelbezeichnung: FC04-10P01 Verbindungskabel 1m Artikelnummer: 00300-0065 ............ Artikelbezeichnung: FC04-50P01 Verbindungskabel 5m TECHNISCHE DATEN Abmessungen Folie 190x70mm, Display 78x64x16mm Einbaumaß 57x60mm (Display), 30x5mm (Kabel) Frontschutzart IP67
Das Verbindungskabel FC04-10P1 mit 1m Länge wird benötigt um eines der Bedienteile DU5S, TU5S-BLU oder DU00-02 mit Folientastatur 0VELAEBR1-A mit den BD1-28 oder BR1-28 Splitkühlstellenreglern zu verbinden.Eigenständig besitzten die DU5-S TU5S-BLU oder DU00 mit Folientastatur Anzeige und Parametriereinheit keinerlei Funktion, erst in Verbindung mit einem passenden Regler (BD1-28 oder BR1-28 Splitkühlstellenregler). ANWENDUNGSBEREICHE Getränkekühlschränke Steckerfertige Vitrinen für Läden und Supermärkte Kühl- / Tiefkühlschränke Kühlräume· Kühlräume Kühl- und Tiefkühlmöbel TECHNISCHE DATEN Abmessungen 1m Stecker konfektionierte Stecker Kabel 4 Adern
Das LAE Display TU5S-BLU ist eines der möglichen Bedienteile passend für den BD1-28 oder BR1-28 Splitkühlstellenregler.Eigenständig besitzt die TU5S-BLU Anzeige und Parametriereinheit keinerlei Funktion, erst in Verbindung mit einem passenden Regler (BD1-28 oder BR1-28 Splitkühlstellenregler). ANWENDUNGSBEREICHE Getränkekühlschränke Steckerfertige Vitrinen für Läden und Supermärkte Kühl- / Tiefkühlschränke Kühlräume· Kühlräume Kühl- und Tiefkühlmöbel NICHT IM LIEFERUMFANG:1m oder 5m Verbindungskabel zur Verbindung mit einem BD1-28 oder BR1-28 Splitkühlstellenregler. Dieses Verbindungskabel muss als Zubehör bestellt werden: Artikelnummer: 00300-0064 ............ Artikelbezeichnung: FC04-10P01 Verbindungskabel 1m Artikelnummer: 00300-0065 ............ Artikelbezeichnung: FC04-50P01 Verbindungskabel 5m TECHNISCHE DATEN Abmessungen 77x35x13mm Einbaumaß 71x29mm Frontschutzart IP55